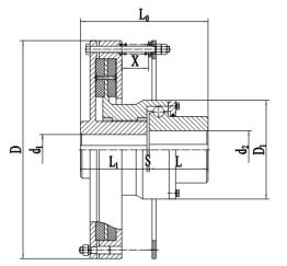
| QAD 型定扭矩安全联轴器基本参数和主要尺寸 / mm | ||||||||||||||||||||||||||||||||||||
| 型 号 |
公称转矩 调整范围 Tn N·m |
许用 转速 [n] r/min |
轴孔直径 | 轴孔长度 |
总长 L0 |
D | D1 | S |
转动惯量 I kg·m2 |
重量 m kg |
||||||||||||||||||||||||||
| d1 max | d2 | L1 | L | |||||||||||||||||||||||||||||||||
| QAD1 | 5~100 | 3600 | 32 | 24、25、28 | 82 | 44 | 129 | 210 | 90 | 3 | 0.0172 | 8.7 | ||||||||||||||||||||||||
| 30、32、35 | 60 | 145 | ||||||||||||||||||||||||||||||||||
| QAD2 | 20~160 | 3600 | 35 | 25、28 | 82 | 44 | 129 | 235 | 100 | 3 | 0.0245 | 12 | ||||||||||||||||||||||||
| 30、32、35、38 | 60 | 145 | ||||||||||||||||||||||||||||||||||
| 40 | 84 | 169 | ||||||||||||||||||||||||||||||||||
| QAD3 | 31.5~250 | 3600 | 42 | 30、32、35、38 | 112 | 60 | 175 | 270 | 120 | 3 | 0.0512 | 18 | ||||||||||||||||||||||||
| 40、42、45、48 | 84 | 199 | ||||||||||||||||||||||||||||||||||
| QAD4 | 56~450 | 3450 | 45 | 35、38 | 112 | 60 | 175 | 300 | 140 | 3 | 0.1454 | 27 | ||||||||||||||||||||||||
| 40、42、45、48、50 | 84 | 199 | ||||||||||||||||||||||||||||||||||
| QAD5 | 80~630 | 3200 | 56 |
40、42、45、48、50、 55、56 |
112 | 84 | 199 | 325 | 150 | 3 | 0.2034 | 42 | ||||||||||||||||||||||||
| 60、63 | 107 | 222 | ||||||||||||||||||||||||||||||||||
| QAD6 | 140~1250 | 2800 | 65 | 45、48、50、55、56 | 142 | 84 | 229 | 360 | 175 | 3 | 0.5643 | 64 | ||||||||||||||||||||||||
|
60、63、65、70、71、 75 |
107 | 252 | ||||||||||||||||||||||||||||||||||
| QAD7 | 250~2000 | 2500 | 75 | 50、55、56 | 142 | 84 | 229 | 420 | 185 | 3 | 0.9046 | 83 | ||||||||||||||||||||||||
|
60、63、65、70、71、 75 |
107 | 252 | ||||||||||||||||||||||||||||||||||
| 80、85 | 132 | 277 | ||||||||||||||||||||||||||||||||||
| QAD8 | 450~3550 | 2100 | 90 | 70、71、75 | 172 | 107 | 284 | 500 | 235 | 5 | 2.17 | 154 | ||||||||||||||||||||||||
| 80、85、90、95 | 132 | 309 | ||||||||||||||||||||||||||||||||||
| 100 | 167 | 344 | ||||||||||||||||||||||||||||||||||
| QAD9 | 630~5600 | 1850 | 100 | 80、85、90、95 | 212 | 132 | 349 | 550 | 250 | 5 | 3.64 | 185 | ||||||||||||||||||||||||
| 100、110 | 167 | 384 | ||||||||||||||||||||||||||||||||||
| QAD10 | 1000~8000 | 1750 | 110 | 90、95 | 212 | 132 | 349 | 600 | 280 | 5 | 5.432 | 223 | ||||||||||||||||||||||||
| 100、110、120、125 | 167 | 384 | ||||||||||||||||||||||||||||||||||
| QAD11 | 1400~11200 | 1450 | 130 | 100、110、120、125 | 252 | 167 | 425 | 680 | 320 | 6 | 9.42 | 276 | ||||||||||||||||||||||||
| 130、140、150 | 202 | 460 | ||||||||||||||||||||||||||||||||||
| QAD12 | 2000~16000 | 1300 | 160 | 120、125 | 302 | 167 | 475 | 760 | 350 | 6 | 16.21 | 347 | ||||||||||||||||||||||||
| 130、140、150 | 202 | 510 | ||||||||||||||||||||||||||||||||||
| 160、170、180 | 242 | 550 | ||||||||||||||||||||||||||||||||||
